Автоматический выключатель FDC35TF063EF в литом корпусе, с термомагнитным расцепителем (фикс.настройки); 3П; 63А; 18 кА при 400В, возможен монтаж на DIN; GE Power Control 433876
433876
(FDC35TF063EF)
Record Plus
FDC35TF063EF FD63/160 Автоматический выключатель в сборе в литом корпусе, с термомагнитным расцепителем защиты линии - LTM (фиксированные настройки). 3 полюса, 3 расцепителя, напряжение 500В АС, ток 63 А, отключающая способность 18kA
*Один код включает в себя: стандартный автоматический выключатель стационарного типа с подключением с передним доступом и крепеж. Установка устройства дифференциальной защиты от замыкания на землю или дополнительного контакта сигнализации отключения выключателя невозможна.
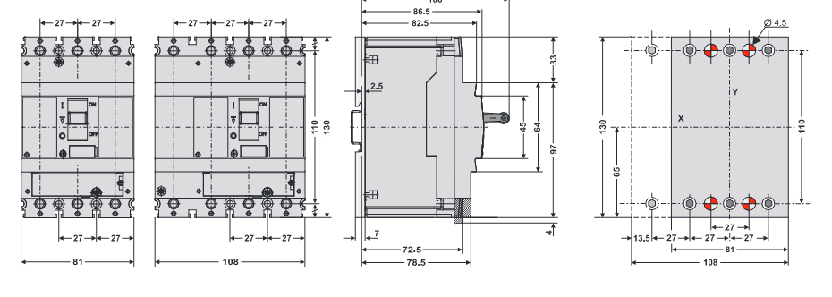
Выключатель с типоразмера FD160, рассчитанный на ток до 160 А, разработан с возможностью монтажа как на направляющих DIN вместе с модульным оборудованием, так и в промышленных распределительных щитах. Он снабжен IPXXB-клеммами, удобными для прямого подключения одного или двух проводников с общим сечением до 95 мм2.Выключатель комплектуется термомагнитными расцепителем и только магнитным расцепителем для защиты цепей электродвигателя. Типоразмер FD160 перекрывает разрыв между миниатюрными автоматическими выключателями, используемыми в жилых помещениях, и промышленными автоматическими выключателями в литом корпусе.
Автоматические выключатели в литом корпусе Record Plus (General Electric)
выпускаются четырех типоразмеров, каждый из которых адаптируется под индивидуальные требования заказчика с учетом особенностей применения прибора:
Автоматические выключатели Record Plus (General Electric) рассчитаны на номинальный ток от 3 до 1600А и выпускаются в одно-, трех- или четырехполюсном исполнении
Предусмотрены многочисленные варианты установки Record Plus (стационарного, втычного и выдвижного типа) и комплектация широким спектром дополнительных принадлежностей
*Один код включает в себя: стандартный автоматический выключатель стационарного типа с подключением с передним доступом и крепеж. Установка устройства дифференциальной защиты от замыкания на землю или дополнительного контакта сигнализации отключения выключателя невозможна.
Выключатель с типоразмера FD160, рассчитанный на ток до 160 А, разработан с возможностью монтажа как на направляющих DIN вместе с модульным оборудованием, так и в промышленных распределительных щитах. Он снабжен IPXXB-клеммами, удобными для прямого подключения одного или двух проводников с общим сечением до 95 мм2.Выключатель комплектуется термомагнитными расцепителем и только магнитным расцепителем для защиты цепей электродвигателя. Типоразмер FD160 перекрывает разрыв между миниатюрными автоматическими выключателями, используемыми в жилых помещениях, и промышленными автоматическими выключателями в литом корпусе.
Автоматические выключатели в литом корпусе Record Plus (General Electric)
выпускаются четырех типоразмеров, каждый из которых адаптируется под индивидуальные требования заказчика с учетом особенностей применения прибора:
- FD160 – на токи до 160А
- FE160 и FE250 – на ток 160 и 250А
- FG400 и FG630 рассчитаны на ток 400 и 630А
- FK800, FK1250, FK1600 – на ток 800, 1250 и 1600А
Автоматические выключатели Record Plus (General Electric) рассчитаны на номинальный ток от 3 до 1600А и выпускаются в одно-, трех- или четырехполюсном исполнении
Предусмотрены многочисленные варианты установки Record Plus (стационарного, втычного и выдвижного типа) и комплектация широким спектром дополнительных принадлежностей
63.00 A
от 500.00 до 500.00 V
18.00 kA
Комплектное устройство в корпусе
да
да
3.00
Передняя сторона
Рычажковый (перекидной рычаг)


